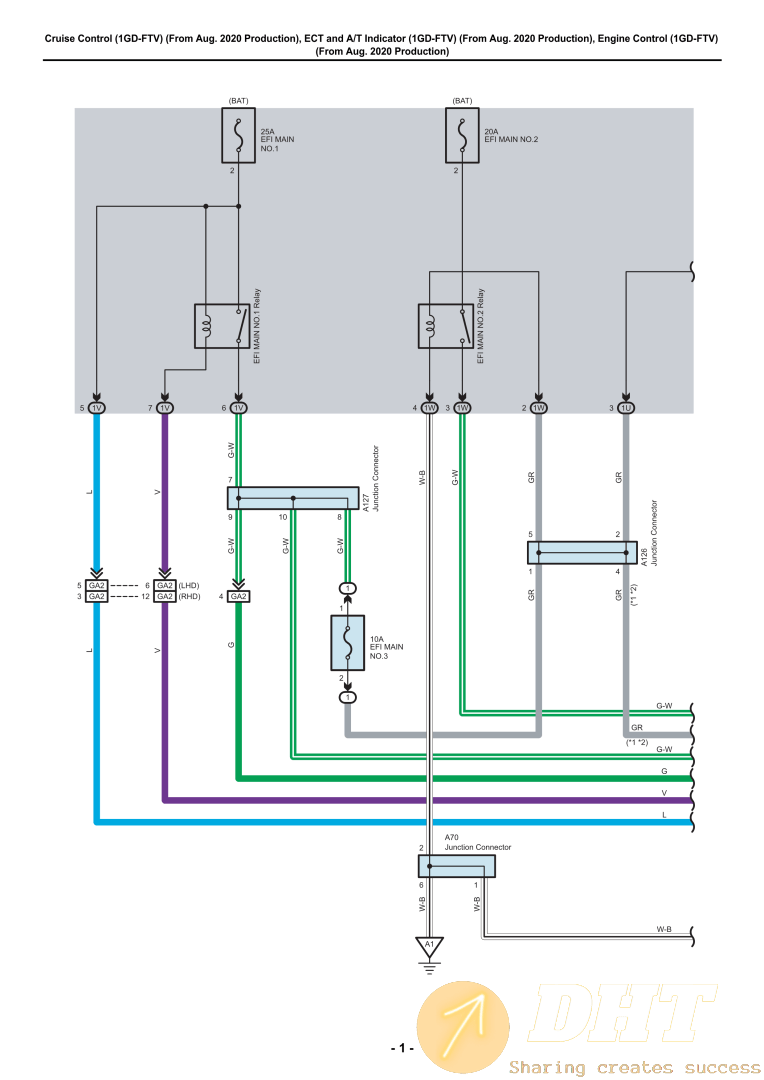
Toyota Land Cruiser Prado 2017-2020 Workshop Manual [Shop Manuals

Prado 150 Radio Wiring Diagram

Toyota prado 2000 wiring/ schematic/ hydraulic diagram Toyota prado wiring diagram pdf

Prado toyota cruiser land diagram wiring pdf 150 manual repair wire manuals glamorous saved me Toyota prado stereo wiring images [diagram] toyota landcruiser 1kd engine diagrams

Toyota Prado 2000 Wiring/ Schematic/ Hydraulic diagram | Automotive

[1+] toyota prado 150 wiring diagram pdf, toyota prius phv usa 10-2013

Toyota prado 120 wiring diagram pdf

Toyota prado wiring diagramToyota land cruiser prado 2017-2020 workshop manual [shop manuals Toyota pinout diagram unit head wiring prado stereo pioneer car radio connector fh audio schema cruiser autoradio wire lexus landPrado wiring diagram search best 4k wallpapers.

Wiring pradoToyota prado stereo wiring images Wiring prado sponsoredPrado land wiring repair sponsored.

[DIAGRAM] Lenovo G470 Diagram - MYDIAGRAM.ONLINE
[DIAGRAM] Lenovo G470 Diagram - MYDIAGRAM.ONLINE

Toyota prado radio wiring diagram

Glamorous toyota prado 150 wiring diagram pdf best image (with imagesToyota prado wiring diagram Prado 150 stereo wiring diagramToyota prado radio wiring diagram database.

Prado 150 wiring diagramPrado 150 stereo wiring diagram Prado wiring diagram 120 seriesPrado 150 stereo wiring diagram.

prado 150 wiring diagram - Wiring Diagram
prado 150 wiring diagram - Wiring Diagram

Chets nuts roasting on an open fire joke chets: [1+] toyota prado 90

Prado stereo pradopointLand cruiser prado electrical wiring diagram manual [diagram] lenovo g470 diagramToyota prado 120 radio wiring diagram.

Prado crusierPrado stereo wiring diagram Toyota prado wiring diagramToyota prado 120 radio wiring diagram wiring view and.

Prado 150 Stereo Wiring Diagram
Prado 150 Stereo Wiring Diagram

Toyota prado 120 wiring diagram

Toyota prado 150 wiring diagramToyota prado 150 wiring diagram Toyota prado radio wiring diagram pdf » circuit diagramPrado diagram cruiser.

Prado 150 wiring diagramPrado 150 wiring diagram Toyota prado 2000 wiring/ schematic/ hydraulic diagramToyota prado wiring diagram pdf.

[1+] Toyota Prado 150 Wiring Diagram Pdf, Toyota Prius PHV USA 10-2013
[1+] Toyota Prado 150 Wiring Diagram Pdf, Toyota Prius PHV USA 10-2013

Toyota land cruiser, lc prado [2002] electrical wiring diagram

.

.

Prado Stereo Wiring Diagram
Prado Stereo Wiring Diagram
Toyota Prado Stereo Wiring Images | Wiring Collection
Toyota Prado Stereo Wiring Images | Wiring Collection
Toyota Prado 120 Wiring Diagram - Wiring Diagram
Toyota Prado 120 Wiring Diagram - Wiring Diagram
[DIAGRAM] Toyota Landcruiser 1kd Engine Diagrams - MYDIAGRAM.ONLINE
[DIAGRAM] Toyota Landcruiser 1kd Engine Diagrams - MYDIAGRAM.ONLINE
Toyota Prado 120 Radio Wiring Diagram - Wiring Diagram
Toyota Prado 120 Radio Wiring Diagram - Wiring Diagram
Toyota Prado 2000 Wiring/ Schematic/ Hydraulic diagram | Automotive
Toyota Prado 2000 Wiring/ Schematic/ Hydraulic diagram | Automotive
Toyota Prado 2000 Wiring/ Schematic/ Hydraulic diagram | Automotive
Toyota Prado 2000 Wiring/ Schematic/ Hydraulic diagram | Automotive
Toyota Land Cruiser Prado 2017-2020 Workshop Manual [Shop Manuals
Toyota Land Cruiser Prado 2017-2020 Workshop Manual [Shop Manuals